THE AGRONOVA SYSTEMS
Developed and Made in Sweden
Mobile/Stationary essential oil processing systems with advanced process regulation controllers
<


INFORMATION MATERIAL
Revision 22-2013-AF.
The use of water steam as solvent to produce essential oils from plant material is far from new. Ancient civilisations, like the Egyptians, won a widespread reputation for their knowledge in herbal preparations, perfumes, and ointments as early as 2,000-3,000 years BC. Life extended into Cosmos through the application of essential oils from cedar and myrrh during the embalming process of the Pharaoh. It is fascinating that the interest and usage of aromatic plants and essential oils have represented such highly sought after cultural, social, and economic values from day one of civilisation. In fact, the knowledge that essential oils became volatile in steam is just as old. During the last decades, the interest and demand in using aromatic plants and essential oils as medicines, food, flavour and fragrances, etc. have increased substantially.
The fundamentals of essential oil separation
We may state, in scientific vocabulary, that the separation of essential oils from plant material with steam injection is ruled by the fact that at any given temperature the total vapour pressure exerted by an essential oil is equal to the vapour pressures of its individual chemical components (Ptot = P1 + P2 + P3 + P4 + ...Pn). This means that the vaporisation of the individual volatile components takes place at temperatures below the boiling point of water. After leaving the pressure vessel where steam and plant material is combined the water and essential oil mixture is cooled, and after several steps of separation, the pure essential oil can be obtained as its specific density is either lower or higher than that of the water phase (hydrolate).
Intrinsic and external factors regulating yield and quality
A top-notch plant material (i.e. optimising biological and environmental features as to efficiently harvest essential oils in good quality and quantity) is a prerequisite to achieve satisfactory results in any steam distillation system. In cases where unique and high cost-low volume oils are produced, including cases where bulk material transport costs are high and unreliable, it is favourable to make the processing system mobile as to catch the plants at place rather than the other way round. Likewise, the essential oil processing economy and its qualitative output are highly dependent on the ability to regulate steam (flow, temperature, and pressure), cooling media (flow and temperature), length of operation, mechanical frictional forces and diffusion rates in the pressure vessel, etc.
The evolution of the AGRONOVA systems
Essential oil processing techniques have generally been hampered by the long-lasting habit to inherit the 'same rules as used yesterday' within the industry. The Swedish AGRONOVA SYSTEMS introduce a flexible unit where process regulation capacity and quality control have been given high priority since the development started in 1997. The principle design is illustrated in Fig. 1-3 (note: each unit is uniquely designed according to the customer's preferences).
Figure 1. The basic configuration of the AGRONOVA systems.
Figure 2. The AGRONOVA systems including double-mounted pressure vessel units (a preferred arrangement when working serially with two different essential oils).
Figure 3. The AGRONOVA dual system in a dismounted position (to facilitate unloading and cleaning activities).
FlexLink® framework and bogie-trailer
We use FlexLink® aluminium profiles from SKF to build the supportive framework. It is easier to adjust and expand, with an improved cost-effectiveness, than a weldered conventional framework in stainless steel. The pressure vessel, radial tube condenser, and auxiliary components are mounted onto the FlexLink® framework.
In the Scandinavian region, the framework is mounted with vibration-dampening material onto a 4P bogie-trailer (http://www.tiab.com). The trailer can be equipped with support legs if the unit will be stationary for any period of length. The unit's gravity of centre is well-balanced as to support manual connect up, and the unit can be transported by standard private cars. If the unit will be transported in hilly and rugged terrain it is however recommended to use a car with four-wheel drive.
Figure 4. FlexLink® aluminium components used to build the framework
http://www.flexlink.com
The AGRONOVA systems have a unique pressure vessel design. A worm gear motor is mounted onto the convexly profiled bottom section and equipped with a mixer/grinder device controlled by electronically variable frequency circuits. By adding external frictional forces the oil-containing plant cells are being ruptured and the diffusion rate can be improved. Additionally, this technology makes it possible to capture the most volatile components and the total yield may also increase. The operator can select or deselect this option according to preferences.
Figure. 5. Worm gear from Benzlers, Sweden. http://www.benzlers.se
Results from field distillation in Sweden in 2000 indicate that if the AGRONOVA mixing/vibration system is activated the actual essential oil yield is increased 3-4 times compared to conventional steam distillation (results from field tests with essential oil processing from Angelica archangelica ssp. Archangelica root biomass). It is an understatement to say that such increased processing efficiency will improve the economic conditions.
Data acquisition and process regulation are viable tools to optimise product quality and to minimise operational costs. We use the following example to illustrate why this is important:
A specific conventional distillation unit process essential oils at an estimated average output of 0.3% by fresh weight. However, a further study at the laboratory-scale reveals that the plant material actually contains 0.6% essential oil by fresh weight. Thus, the move from laboratory to field scale, in combination with a non-optimised electromechanical design, introduce an averaged 50% reduction of essential oil yield compared to what is biologically obtainable!
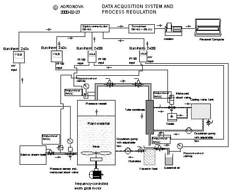
The AGRONOVA systems introduce multiple means to regulate steam flow, steam pressure, diffusion rates, steam and cooling temperatures, etc. Important parameters can also be archived for further analysis through digital data acquisition. The principle layout of process regulation and data acquisition is illustrated in Fig. 6 and 7.
Figure 6. Schematics of basic process regulation and data acquisition design. The AGRONOVA systems.
Figure 7. Optional and advanced process regulation, heat recycling, data acquisition and monitoring system. The AGRONOVA systems.
Eurotherm® Series 2000 controllers are used to indicate and automatically regulate flow, pressure, and temperature variables in combination with motorised shunt valves. The 2704/2604/2408 process regulator can be used to control motorised shunt valves, to automate heating and cooling processes, and are configurable to accept output signals of 0-20mA or 0-10Vdc. The 2704, 2408 and 2404i controllers are illustrated in Fig. 8.


Figure 8. Eurotherm® series 2000 controllers and indicators.
http://www.eurotherm.com
Pressure transducers
Steam pressure is measured via GEMS® 2600 series amplified transducers, physically protected by welded stainless steel back ends, and with accuracy deviation less than 0.15% of full scale value and thermal errors less than 1%. Fig. 9 illustrates the GEMS® 2600 series pressure transducers.
Figure 9. GEMS® 2600 series pressure transducers. http://www.gemssensors.com
We use tailor-made and fabrically certified 3-wire Pt100 sensors from Pentronic® to measure steam- and water temperatures. The layout of the Pt100 elements is illustrated in Fig. 10.
Figure 10. Pentronic Pt100® sensor (IEC 751 Class A). http://www.pentronic.se
The art of measuring and regulating steam at low flow rates
The measurement and regulation of steam at low flow rates (i.e. steam having low Reynolds Number) cannot be done accurately with conventional flow sensors. Therefore, we use Foxboro® Vortex flow meters where the medium flows against a trapezoidal bluff bodywith a piezo-electrical sensor element inside that detects the resultant force of the steam vortex created behind the bluff body. This sensor technology makes it possible to measure steam flow as low as 3 m3/h. Essential oil processing operates within a wide range of optimal steam flow wherefore it is essential to accurately indicate, and if desirable, regulate operations via user-adjustable flow rates. Fig. 11 illustrates the Foxboro® Vortex flow meter.
Figure 11. Foxoboro® Vortex Flow Meter. http://iom.invensys.com/EN/Pages/Foxboro.aspx/
Proportional valves
Danfoss® 2-ways servo-controlled proportional valves are used for automatic flow and temperature control at the main cooling circuit outlet. These proportional valves are characterized by very fast response times and linearity across the entire range of regulation. They are further equipped with 4-20mA or 0-10 VDC PID controls and are operational within the flow range of 0.5-12.7 m3/h.
The Eurotherm® indicators and regulators can communicate with external computers via RS485 or RS232 protocols. We use a RS485--RS232 converter to interface between the computer and the Eurotherm® units. Data and configuration information can thus be channelled via the PC's serial RS232 interface and logged into the Eurotherm® iTool software (Windows 95, 98 and NT compatible). The iTool software interface is illustrated in Fig. 12. This makes it possible to configure the indicators and regulators externally and to analyse parameter settings in relation to yield and quality obtained during a specific operation.
Figure 12. Eurotherm® iTool software. http://www.eurotherm.com
The pressure vessel, radial tube condenser, and auxiliary tube and valve components are all made of stainless steel. We believe that nothing else than stainless steel should be in contact with the volatile components, steam flow, and plant material, as not to allow for corrosive or degrading chemical reactions (Fig. 13). The pressure vessel and radial tube condenser are made and weldered by specialised and quilified partners in Sweden. The construction is in compliance with safety requirements (AFS 1994:39 regulation code) and approved a design review certificate by the Swedish controlling agency, SAQ. The pressure vessel and tubes in front of the radial tuber condenser are isolated with a special foam from ABB® District Heating. The end result is a pressure vessel and tuber system effectively isolated by a 100 mm thick foam layer leading to vastly improved energy efficiency and reduced operational costs. In fact, we distilled essential oils from Angelica (Angelica archangelica L.) and Marigold (Calendula officinalis L.) in the late autumn 1999 at operational temperatures below 0o C with good results.
The heat loss saving potential with the Agronova processing system is illustrated by the following example: Compared to conventional non-insulated pressure vessel and piping systems the heat loss will be reduced by a factor 8-9. With a 15% liquid level in the pressure vessel, 50% liquid level in the feed water tank, saturated steam at 2 BAR abs. pressure, wind speed (5 m/s), solar energy at 41.50 N latitude; the heat loss saving is represented by a net present value profitability1 of 1160 EUR.
The high efficiency in reducing heat radiation losses with the Agronova systems will also reduce the lag time until thermal equilibrium as to generate a saturated steam flow @ 2 bar abs. pressure, keeping all other variables constant.
Figure 13. Stainless steel pressure vessels, tube condenser, and FlexLink® frame mounted on the 4-wheel bogie-trailer Flexlink frame.
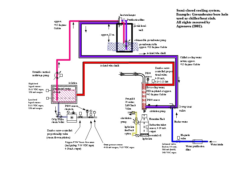
A unique optional feature used by the AGRONOVA systems, is the design of a closed cooling system with automated control of the cooling and heating phases by the Eurotherm 2400/2600/2700 regulators and servo-regulated proportionality valves with very short reaction times. The user does not have to let the cooling water continuously drain from the end pipe as usually done in the industry. Instead, the cooling media is fed back into the tuber condenser and essential oil separation can be optimized and regulated according to a pre-defined cooling temperature value. In addition, the heat load of the ’hot phase’ of the cooling water loop is used as pre-heated water intake to the steam boiler, and thus improves resource use efficiency. In countries with high ambient temperatures, active cooling agents are used within the closed-loop system.
The energy-saving potential with the semi-closed cooling circuit can be illustrated with the following example: If feed water temperature is increased from 10 to 40 degrees Celsius, the energy input to receive thermal equilibrium as to generate saturated steam will decrease with approx. 3275 kWh per year (1,000 h operating cycle per year; 94 kg steam per h). With increased operational time and/or increased steam flow rates the energy saving potential will also increase. An additional advantage of using pre-heated feed water is that the oxygen concentration in the water phase will be reduced and thereby reducing/eliminating needs of water treatment chemicals.
Figure 14. Semi-closed cooling circuit flow chart. Example: Groundwater bore hole used as chiller/heat sink. All rights reserved by Agronova.
Semi-closed cooling features and flow chart:
The Agronova mobile processing systems can by equipped with an indirect cooling circuit that eliminates the consumptive use of cooling water traditionally found within the essential oil business.
The semi-closed cooling circuit option is designed with the following features:
Heated cooling water that flows out from the tube condenser is re-injected into the steam boiler and increases the system’s energy efficiency and reduces operational costs.
Heated cooling water that flows out from the tube condenser is chilled to pre-configured and optimized temperatures via an indirect cooling circuit including plate heat evaporator, compressor, condenser and expansion valve.
The integrated semi-closed cooling circuit utilizes either ammonia or CFC (R407C) as refrigerants. Ammonia has excellent thermodynamic properties, it is “natural” and environmental-friendly and only moderately toxic/flammable. The increasing international and national urge to phase out environmental damaging HCFCs as refrigerants makes ammonia a future-friendly choice even in small to medium-sized refrigeration systems.
Investment costs of NH3 chilling machines are higher than the equivalent CFC chilling machines.
The semi-closed NH3 cooling system utilizes an air-cooled condenser that is preferred as to minimize risks of bacterial contamination (e.g Legionella pneumophila) and for safety issues.
The integrated semi-closed cooling circuit is developed and built in association with leading partners in the industry (e.g. Alfa Laval Sweden).
The Agronova processing system can alternatively use sub-soil water/groundwater reservoirs as a heat sink – if groundwater hydrology, water chemistry, etc. are feasible. In association with industry-leading companies, such as Alfa-Laval, Sweden, we can design appropriate plate heat exchangers and auxiliary equipment built on using sub-soil/groundwater as heat sink. If additional chilling capacity is needed the appropriate plate heat exchanger can be integrated with a reverse-coupled geothermal heat pump. This chilling alternative presumes that distillation is done stationary as the mobility functions have to give away.
The main water-cooling system, with either of the semi-closed cooling secondary circuits, will drastically reduce water consumption and thereby improve distillation operational costs.
Florentine flask
The AGRONOVA systems use an inventive design of the florentine flask. A series of vertical plates are positioned in the flask to increase the oil recovering capacity (small oil droplets are unified to bigger droplets along the wall surfaces with increased lift power). The Florentine flask is equipped with a series of valves to facilitate the continuous separation of the oil phase. If preferred, the Florentine flask can be equipped with process-controlled empty regulation (the function is built around a PID-controlled refractometer that separates the oil from the water phase as a function of conductivity).
Cohobation
The hydrolate phase can be recycled intermittently or at pre-defined intervals into the pressure vessel via a circulation pump with variable flow rate and a Swagelock Lift Check Valve. This valve will allow forward flow but back pressure will seat the valve’s poppet against the orifice and effectively limiting reverse flow to less than 0.1% of forward flow. Thereby, hydrolate recycling, cohobation, can be done even at high back pressure rates. Cohobation will increase essential oil yield and is favoruble in cases where e.g. the essential oil yield is inversely related to the pH-value of the hydrolate (at lower pH-values essential oil yield will increase – as with lovage oil, for example).
Vacuum Distillation
The Agronova essential oil processing systems can be designed and equipped to combine both steam distillation and vacuum distillation processing technologies. Vacuum distillation is advantageous in cases where heat-sensitive feedstock is processed and where heat-induced still notes are to be avoided as the steam temperature is reduced under vacuum conditions. Likewise, vacuum distillation may provide energy cost-saving opportunities as less input energy is used up at reduced steam temperatures. Contact us to receive further information.
Stationary distillation equipment
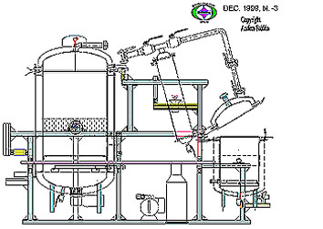
AGRONOVA also design and build stationary process-regulated distillation systems (effective filling volumes up to 3,000 litre per pressure vessel). The stationary systems include designs for both intermittent batch-per-batch production as well as automated continuous production lines.
Figure 15. An automated, stationary twin-pressure vessel system for essential oil processing combining steam distillation and vacuum distillation techniques. Copyright Agronova (2007-2013).
To summarize
The AGRONOVA systems blend traditional skills with modern scientific approaches and represents a significant step forward in mobile essential oil technology.
Contact us for further information.
AGRONOVA and affiliated partners are also designing and building laboratory distillation equipment adapted to essential oil analysis.
Consultancy services
AGRONOVA has extensive experiences in human resources development and transfer of technology, from raw natural material to novel end-products, within the herbal and essential oil sectors.
1 Energy cost per kWh = 0.057 EUR, inflation rate = 2%, annual energy price increase = 2%, interest rate = 6%